تعلم قراءة وفهم الدوائر الإلكترونية ومكوناتها
فهم المكونات الإلكترونية
بالنسبة لمهندسي الإلكترونيات المبتدئين ، من المهم فهم التفاصيل لكل المكونات الإلكترونية ، وكيفية رسمها على الدوائر الإلكترونية، وكيفية فهم المبدأ الكهربائي للتوسع فى تصميم الداوئر الإلكترونية الخاصه بك وعمل دوائر إلكترونية مستقرة. للقيام بذلك ، تحتاج أولاً إلى التعرف على مبدأ عمل العناصر الإلكترونية ، ثم تتعلم كيفية قراءة الدوائر الإلكترونية التي سأناقشها في هذه المقالة مع أمثلة على الأجهزة الشائعة للمبتدئين .
أولا تعلم أساسيات المكونات الإلكترونية
هناك العديد من الدروس المفهومة والتفاعلية لتعلم الإلكترونيات، وإننا نشجعك علي تجربتهيا جميعياً. ما يلي هو نظرة عامة بسيطة جداً للمفاهيم وأنواع العناصر الكهربائية والإلكترونية الموجودة في معظم الجهزة.
أنصحك جدا بقراءة هذا المقال الشامل حول الدوائر الإلكترونية إضغط هنا
الجهد الكهربائي (الفولتية)
يُعطى هذا الإسم لكمية الإلكترونات في سلك قياساً لكمية أخرى في سلك آخر. يمكن تشبيه الإلكترونات بالماء المتدفق من الأعلى إلي الأسفل، وبشكل مشابه يدل الجهد علي الإتجاه الذي ستسلكه الإلكترونات عندما يتم وصل سلكين ببعضهما.
المنبع أو الأرضي
هذا الإسماء تستخدم ببساطة لوصف قيم جهد معينة لغرض السهولة. فمن المفيد مثلًا اختيار أحد العقد كمرجع واعتبار قيمة الجهد عندها صفراً، وبحيث يتم قياس باقي قيم الجهد في الدارة بالنسبة لهذه النقطة المرجع (نسيميها "الأرضي")، فمثلًا عندما نقول أن جهد عقدة ما هو + 5 فولت فهذا يعني أنها أعلى ب 5 فولت عن جهد العقدة الرض.
التيار الكهربائي
كما رأينا، فإن الجهد كلمة تعطينا الفرق في الطاقة الكامنة (الكمون) بين عقدتين. أما "التيار" فهو مفهوم مهم آخر، فهو يصف كمية الطاقة التي تتدفق في مسار داخل الدارة ويمكن تشبيهها لكمية الماء المتدفق عبر أنبوب.
الممانعة الكهربائية (المقاومة)
الممانعة هي المقاومة التي تعيق تدفق الإلكترونات بين عقدتين في دارة. إن الممانعة عنصر مهم للتحكم بالجهد والتيار في الدارة، وسوف نستخدمها لتشكيل فولتيات محددة أو تحديد التيار الذي سوف يمر في دايود ضوئي، وأيضاً للتأكيد من عدم وجود حالة قصر (وصل) بين الإستطاعة والأرضي.
الديجيتال والأرقام الثنائية
يفهم البشر الحال الثنائية مثل (Off أو On ) أفضل من فهمهم للتدريجات الأنالوغ . وكنتيجة فإن معظم الإلكترونيات المنتجة هذه الأيام هي ديجيال، المعتمدة علي الإشارات الرقمية الثنائية، عوضاً عن الإتصال بين المكونات بالأنالوغ. إننا نرسل تشكيلات محددة من الجهود المرتفعة والمنخفضة (أصفار 0 وواحد ١)، والتي تفسر لاحقاً كأوامر، وأيضاً هي صنف معمم جداً من المكونات التي تشكل عتاد معظم المنتجات، وأهمها هو المتحكمات الدقيقة و الحساسات وأيضا مكونات التخزين الرقمية.
دعونا نبدأ الدراسة لفهم أبسط دائرة إلكترونية
فهم أبسط دائرة إلكترونية
لا يتم دائمًا قراءة مخططات الدوائر الإلكترونية من اليسار إلى اليمين أو من أعلى إلى أسفل ، فمن الأفضل البدء من مصدر الطاقة. فنقوم بالنظر إلى جانبها الصحيح وهو عند علامة ( ~ ) نجد أن مخرج الطاقة عند القابس X1 و X2 متصلاً ب SW1 ثم بالمصباح L ويجب أن يكون SW1 متصلاً ليعمل المصباح كصورة شرطية تمثلها هذه الدائرة . للوهلة الأولى يبدو واضحا ، ولكن ينبغي أن يكون الأخصائي أو المهندس قادراً على استخلاص هذه الاستنتاجات من خلال النظر في المخطط بدون تفسير (فقط بإستخدام رموز العناصر الإلكترونية)، هذه القدرة ستجعل من الممكن إجراء تشخيص للعطل والقضاء عليه ، أو تجميع الأجهزة من الصفر.
كيفية قراءة وفهم الدوائر الإلكترونية: زيادة مستوى التعقيد
كيفية قراءة وفهم الدوائر الإلكترونية
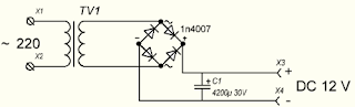
فى المثال السابق تعاملنا بالفعل مع العناصر الأساسية للدائره الإكترونية الآن نتعرف على مخطط أكثر تعقيداً , دعنا نبدأ بالنظر من مصدر الطاقه حيث رمز ( ~ ) لتجد أن العنصر الذى يليه مباشرة هو المحول TV1 وهـو عنصر جديد بالنسبه لك . يتم استخدام المحولات في كل مكان ، سواء في الشبكة (50 هرتز) أو في إصدار النبض (عشرات كيلو هرتز). في المولدات أيضا كلفائف حث، وأجهزة الإرسال اللاسلكية ، ومرشحات التردد ، وأجهزة التنعيم . وله عدة أشكال كما يتضح بالصورة التالية
في وسط المخطط يظهر المقوم ووظيفته هى تثبيت التيار الكهربى من المصدر وتقويمه . العنصر التالى غير المألوف في المخطط هو المكثف ، حيث يتم استخدامه هنا للتخفيف من تموجات الجهد . بشكل عام ، وظيفته الرئيسية هي تجميع الطاقة على لوحاته .
إذا كيف تفهم هذه الدائرة :
نجد أنه يتم توصيل الجهد الأساسى (220 فولت متردد) فى الدخل على محول لتخرج منه (12 فولت متردد أو حسب قيم المحول) ثم تخرج إلى مقوم الجهد الذى يقوم بتحويلها إلى (12 فولت جهد ثابت ) لتمر بالمكثف الذى يقوم بالشحن والتفريغ لتنعيم الجهد الخارج ليصل إلى 12 فولت جهد ثابت ومستقر .
كيف تقرأ الدوائر الإلكترونية مع الترانزستورات؟
الترانزستورات هي مفاتيح يتم التحكم فيها ، يمكنك إغلاقها وفتحها ، مما يسمح باستخدامها في مجموعة كبيرة من الحلول و الدوائر الإلكترونية . لنلقى نظره على هذا المخطط الشائع بين المبتدئين (symmetric multivibrator) وظيفة هذه الدائرة الإلكترونية هو إنتاج نبضات متماثلة (متناظرة) حيث يمكن إستخدامها كعمل فلاشر بسيط , إستخدامها كمصدر ترددات لمكبرات الصوت والعديد من الإستخدامات الشاعة لهذه الدائرة.
الدوائر الإلكترونية مع الترانزستورات
إمشي عبر الأجزاء المألوفة من الأعلى إلى الأسفل. في الجزء العلوي ، نرى 4 مقاومات ،وظيفتها ضبط التيار ، كما تؤثر على طبيعة نبضات الخرج. وأيضا هنا الليدات HL و مكثفات قطبية C (والتى تنفجر فى حالة التوصيل الخاطئ) .
كما يوجد VT (الترانزستورات ) وهى عناصر جديده بالنسبه لك والتى تأتى دائما بثلاث أطراف هى :
1. قاعدة.2. باعث.
3. جامع.
ولتعيينهم على الترانزيستور يجب عليك قرائة الداتا شيت الخاصه به بعنايه أو البحث عن pinout وإسم الترانزيستور .
بعد قرائة وفهم مخطط دائرة ال multivibrator :
أصبح من الواضح أن الدائرة عبارة عن جهاز يعمل على مبدأ مولد ذاتي للنبضات يعتمد على عملية إعادة شحن الترانزستورات ، والتي تنتج عن فتح وإغلاق الترانزستورات بالتناوب كلٍ منهما ، عند فتح الأول ، والثاني مغلق ثم العكس .
إذا بفضل القدرة على قراءة المخططات للدوائر الإلكترونية ، أصبح بإمكانك تحديد:
1- مايفعله كل عنصر من المكونات الإلكترونية لدائرة , والغرض من وضعه فى هذا المكان بالتحديد .2- فى عملية الصيانة للدوائر الإلكترونية : أصبح بإمكانك تحديد قيمة وإسم كل عنصر .
3- كيف تقوم بتغذية الدائرة بالكهرباء من حيث نوع الجهد والتيار .
ليس من المهم معرفة الرموز التقليدية للعناصر فقط ، ولكن أيضًا مبدأ عملهم مهم جداً . في حدود مقالة اليوم من الصعب جدا النظر في جميع العناصر الإلكترونية ، لأنها ستأخذ كمية كبيرة جدا ولكن نتمنى أن نكون قد وضعناكم على أول الطريق لفهم وقرائة الدوائر الإلكترونية والمكونات الإلكترونية أيضا . لا تتردد فى طرح أى سؤال عن طريق التعليق على المقال ولا تنسى مشاركته مع أصدقائك .
لا تنس الإنضمام لأنشط جروب عربي على فيس بوك مهتم بهندسة الإتصالات و الإلكترونيات و تعلم الصيانة من هنا





